高性能金屬密封渦輪蝶閥
蝶閥:不銹鋼、雙相鋼、碳鋼、鈦、鎳等材質
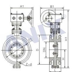
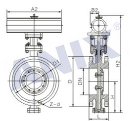
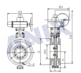
埃尼斯集團生產的法蘭式多層次金屬硬密封蝶閥產品特點:
1、采用“U”型不銹鋼密封圈,閥座具有一定的彈性,無論在高溫、低溫的情況下,它與蝶板均具有優良的密封性。
2、是金屬對金屬線密封蝶閥,蝶板密封面采用堆焊不銹鋼或堆焊硬質合金,密封面耐磨損,使用壽命長。
3、蝶板流線設計、通桿、耐磨軸套等參數使本蝶閥具有優良的密封性,耐溫、耐壓、耐磨、耐腐蝕。
4、該閥可設計成法蘭連接和對夾連接。
5、驅動方式可選擇手動、電動或氣動。


















